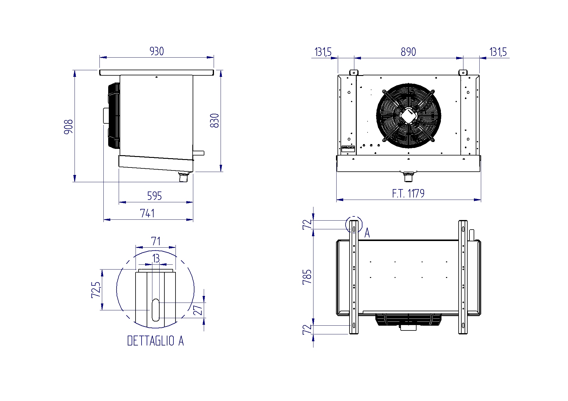
| Высота908 мм | Глубина930 мм | Ширина1179 мм |
| Вес (без упаковки)82.1 кг | Количество вентиляторов1 | Конструкцияпотолочный |
| Напряжение380 В | Производительность5195.5/7201.5 м3/час | Скорость вращения1025/1300 об/мин. |
Воздухоохладитель Rivacold RCBR1500806 используется на предприятиях пищевой промышленности, общественного питания и торговли для поддержания оптимальной температуры в холодильных камерах, предназначенных для хранения охлажденной и замороженной продукции. Модель состоит из корпуса, теплообменника, вентилятора с внешним ротором и защитной решеткой. Корпус выполнен из алюминиевых панелей, теплообменник – из медных рифленых трубок и алюминиевых ламелей, винты, шайбы и гайки – из нержавеющей стали.
Особенности:
Дополнительные характеристики:
Опции (заказываются отдельно):
Внимание! На фото аналогичная модель другого размера.
| Высота | 908 мм |
|---|---|
| Глубина | 930 мм |
| Ширина | 1179 мм |
| Вес (без упаковки) | 82.1 кг |
| Количество вентиляторов | 1 |
| Конструкция | потолочный |
| Напряжение | 380 В |
| Производительность | 5195.5/7201.5 м3/час |
| Скорость вращения | 1025/1300 об/мин. |
| Страна-производитель | Италия |