| Высота1260 мм | Глубина1050 мм | Ширина1340 мм |
| Вес (без упаковки)185 кг | Напряжение220 В | Охлаждениединамическое |
| Потребляемая мощность0.325 кВт | Применениеобщего назначения | Страна производстваРоссия |
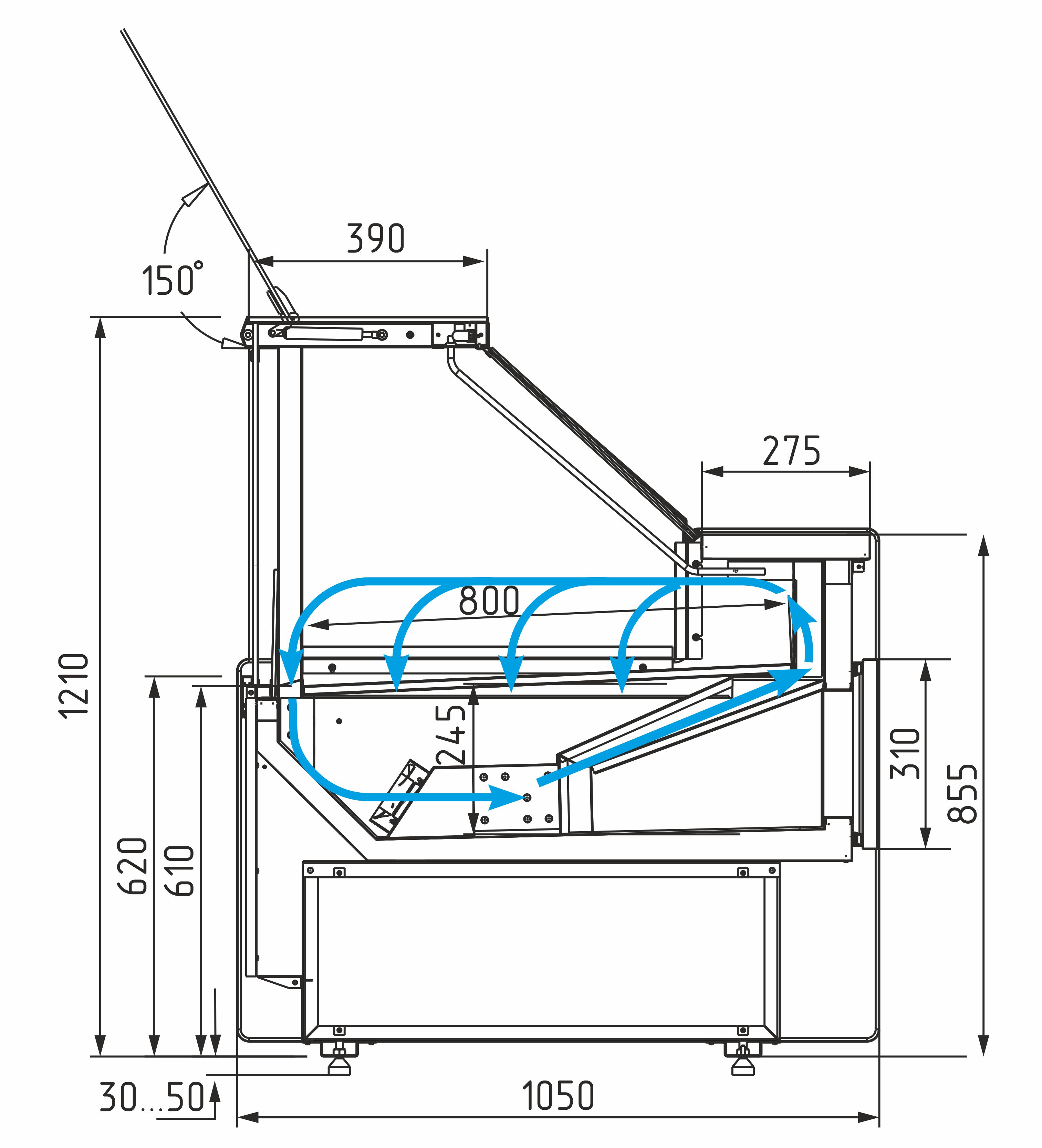
Холодильная витрина Carboma GC111 VV 1,25-1 1008 используется на предприятиях общественного питания и торговли для охлаждения, кратковременного хранения, демонстрации и продажи продуктов питания, салатов, молочных и других гастрономических изделий. Модель оснащена дополнительным накопителем и энергосберегающими шторками. Столешница и экспозиционная поверхность выполнены из шлифованной нержавеющей стали, передняя панель - из ламинированного МДФ.
Отдельностоящие витрины приобретаются только вместе с боковинами. При заказе нескольких витрин с одинаковым температурным режимом для установки в линию достаточно заказать 2 боковины на всю линию.
Особенности:
Дополнительные характеристики:
Опции (заказываются отдельно):
* Длина витрины указана с боковинами.
Внимание! На фото аналогичная модель другого размера с боковинами, которые в комплект поставки не входят и приобретаются отдельно.
| Высота | 1260 мм |
|---|---|
| Глубина | 1050 мм |
| Ширина | 1340 мм |
| Вес (без упаковки) | 185 кг |
| Напряжение | 220 В |
| Охлаждение | динамическое |
| Потребляемая мощность | 0.325 кВт |
| Применение | общего назначения |
| Страна производства | Россия |
| Температурный режим | от -5 до 5 °C |
| Тип | среднетемпературная |
| Холодильный агрегат | встроенный |